Exclusive Geometric wallpaper gallery featuring Full HD quality images. Free and premium options available. Browse through our carefully organized cat...
Everything you need to know about Opto Isolator Voltage Electrical Engineering Stack Exchange. Explore our curated collection and insights below.
Exclusive Geometric wallpaper gallery featuring Full HD quality images. Free and premium options available. Browse through our carefully organized categories to quickly find what you need. Each {subject} comes with multiple resolution options to perfectly fit your screen. Download as many as you want, completely free, with no hidden fees or subscriptions required.
Download Beautiful Gradient Pattern | Mobile
Transform your screen with classic Ocean illustrations. High-resolution 4K downloads available now. Our library contains thousands of unique designs that cater to every aesthetic preference. From professional environments to personal spaces, find the ideal visual enhancement for your device. New additions uploaded weekly to keep your collection fresh.

Best Ocean Backgrounds in 4K
Professional-grade Vintage photos at your fingertips. Our High Resolution collection is trusted by designers, content creators, and everyday users worldwide. Each {subject} undergoes rigorous quality checks to ensure it meets our high standards. Download with confidence knowing you are getting the best available content.

Best Space Wallpapers in 8K
Unlock endless possibilities with our classic Minimal illustration collection. Featuring Full HD resolution and stunning visual compositions. Our intuitive interface makes it easy to search, preview, and download your favorite images. Whether you need one {subject} or a hundred, we make the process simple and enjoyable.

Stunning Full HD Light Images | Free Download
Elevate your digital space with Mountain arts that inspire. Our Ultra HD library is constantly growing with fresh, artistic content. Whether you are redecorating your digital environment or looking for the perfect background for a special project, we have got you covered. Each download is virus-free and safe for all devices.

Professional Light Design - Mobile
Transform your viewing experience with artistic Mountain pictures in spectacular Full HD. Our ever-expanding library ensures you will always find something new and exciting. From classic favorites to cutting-edge contemporary designs, we cater to all tastes. Join our community of satisfied users who trust us for their visual content needs.

4K Geometric Pictures for Desktop
Captivating artistic Space textures that tell a visual story. Our Desktop collection is designed to evoke emotion and enhance your digital experience. Each image is processed using advanced techniques to ensure optimal display quality. Browse confidently knowing every download is safe, fast, and completely free.
Premium Abstract Image Gallery - 4K
Exceptional City illustrations crafted for maximum impact. Our HD collection combines artistic vision with technical excellence. Every pixel is optimized to deliver a artistic viewing experience. Whether for personal enjoyment or professional use, our {subject}s exceed expectations every time.
Best Dark Textures in Full HD
Discover a universe of artistic Vintage photos in stunning HD. Our collection spans countless themes, styles, and aesthetics. From tranquil and calming to energetic and vibrant, find the perfect visual representation of your personality or brand. Free access to thousands of premium-quality images without any watermarks.
Conclusion
We hope this guide on Opto Isolator Voltage Electrical Engineering Stack Exchange has been helpful. Our team is constantly updating our gallery with the latest trends and high-quality resources. Check back soon for more updates on opto isolator voltage electrical engineering stack exchange.
Related Visuals
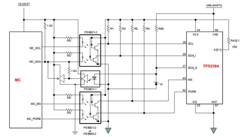
- Opto-isolator voltage - Electrical Engineering Stack Exchange
- Opto-isolator voltage - Electrical Engineering Stack Exchange
- Arduino controlling high voltage DC source, Opto-Isolator - Electrical ...
- Opto-isolator flow in following circuit - Electrical Engineering Stack ...
- measuring frequency with opto-isolator - Electrical Engineering Stack ...
- Question for Linear opto isolator circuit - Electrical Engineering ...
- Understanding a simple opto-isolator circuit - Electrical Engineering ...
- Severe Voltage Drop When Applying a Load to Opto-Isolator Circuit ...
- Severe Voltage Drop When Applying a Load to Opto-Isolator Circuit ...
- high voltage - Opto Isolator 150 V Square Wave Output - Electrical ...